Ep6 praktijk opdracht

Wanneer start is ingedrukt en p of q gaat de dubbelwerkende cilinder uit, als je dan het derde knopje indrukt gaat de enkelwerkende cilinder uit, waardoor b1 word geactiveerd en beide cilinders weer in gaan.


Ep1:

a0 * start = A+

a1 * start = A-


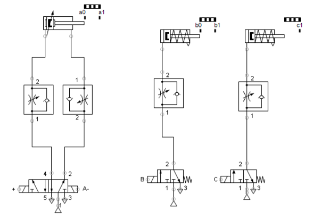
Ep2:

Dit betekend dat K1 die in de 1e rij staat aangestuurd word in de 4e rij.

De cilinder wordt bistabiel aangestuurd


Ep3:

Cilinder A gaat uit -> cilinder B gaat uit -> cilinder A gaat in -> cilinder B gaat in


Ep4:

cilinder A gaat uit -> cilinder B gaat uit -> cilinder A gaat in -> cilinder A gaat uit -> cilinder B gaat in -> cilinder A gaat in


Ep5:


Ep6:

start * niet p + niet q = A+
b1 = A-
a1 = B


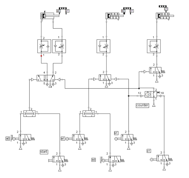
Ep7:

2. Cilinder A gaat uit -> cilinder B gaat uit -> cilinder B gaat in -> cilinder B gaat uit      -> cilinder B gaat in -> cilinder B gaat uit -> cilinder C gaat uit -> cilinder a gaat        in -> cilinder c gaat in

3. Z= telt er 1 van af
    P= luchtaanvoer
    A= output
    Y= Reset
4. Als de teller op 0 staat
5. Nadat cilinder C heeft gewerkt
6. A+ = a0 * start
    A- = Counter
    B = a1 * b0
    C = Counter
7. Elke keer als er stroom over de A1 en A2 loopt telt de teller met 1 af.
    R1 en R2 is de reset.


Ep8:

2. Het verminderd het contact
3. Normaal geopend
4. Y1 = K1 * c0
    Y2 = niet K2 * niet c1 + K1
    Y3 = K1 + niet K2

5. Als er iets voor staat geeft die een signaal door
6. Reageert op meer stoffen dan alleen metaal
7. Het werkt


Ep9:

C+ = a * niet b * niet c
C- = niet a * b + niet a * c


Maak jouw eigen website met JouwWeb